• 联系客服
  • 购物车
  • 手机商城

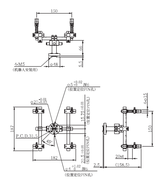
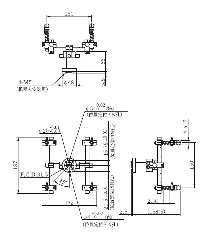
多关节用吸着夹具 已售0件

  •  
  • 货号: 171372
  • 规格: RHK10-150
  • 商品重量: 490g
  •  
  •  
CAD 下载

特征 ● 根据产品的形状可自由移动的吸着金具

   ●本体使用SUS钢管,这样确保钢性的同时使之轻量化

   ●SUS钢管上有刻度,便于调整

式样 ●对应机种:多关节机器人用,可搬重量 7 Kg 以下

   ●吸着金具:VFIL1-S-20-P12 (4個)

   ●吸       盘:VAPH-15C-3 (4個)

   ●气压供给口:Rc 1/8

   ●附件高度(mm):60

   ●安装孔距(mm):P.C.D 31.5

   ●安装部位凸台径(mm):外径 ф20  高 2.5

   ●定位用PIN孔(mm):ф4・ф5

   ●安装螺丝(mm):4-M5

   ●吸着金具孔距(mm):50 ~ 150

   ●全長×全幅×全高(mm): 187× 182 × 152.5